HOME
OUR PRODUCTS
Overview
Air-Cooled
KIB Iceberg
KBIO Biokool
KPAC
KPO Indoor/Outdoor
PHP Heat Pump
KAM AtticMaster
Water-Cooled
KBIO Biokool
KWIB Iceberg
Air Purification
Bioair Series
Evaporative Fans
KoolBreeze
By Power Requirement
115 VOLT 60 HZ
115 Volt Air-Cooled
115 Volt Water-Cooled
115 Volt Heat pump
115 Volt Indoor / Outdoor
115V Air Purifier
208-230 VOLT 60 HZ
1 Phase
208-230V 60 HZ 1Ø Air-Cooled
208-230V 60HZ 1Ø Water-Cooled
3 Phase
208-230V 60 HZ 3Ø Air-Cooled
208-230V 60HZ 3Ø Water-Cooled
460 VOLT 60 HZ
460V 60 HZ 3Ø Air-Cooled
460V 60 HZ 3Ø Water-Cooled
By Capacity
0-24K btuh
Air Cooled
Portable
Heat Pump
Water Cooled
Portable
24K-60K btuh
Air Cooled
Portable
Water Cooled
Portable
Over 60K btuh
Air Cooled
Portable
Indoor Outdoor
Water Cooled
Portable
By Type
Portable
BioAir Series
KBIO Biokool
KIB Series
KPAC Series
KWIB Series
Heat Pump
PHP Heat Pump
High Static Output
KPO Series
AtticMaster
Evaporative Fans
KoolBreeze
APPLICATIONS
Server, Electrical and Data Equipment Spot Cooling
Industrial and Processes
High Temperature
Healthcare and Hospitals
Portable AC for Facilities, Retail Environments, and Office
Outdoor Event and Supplemental or Emergency Indoor/Outdoor Cooling
Service Bays
Aircraft and Hangars
WHY KWIKOOL
KwiKool Standard Features
How We Compare
Our Exclusives
I/O Integral Condenser
SUPPORT
Warranty Registration
Technical Support
Warranty Info
Frequently Asked Questions
Troubleshooting
Wiring Diagrams
ABOUT US
About Us
News
Corporate Information
CONTACT US
Contact Us
Request Information
Join Our List
Distributor Update
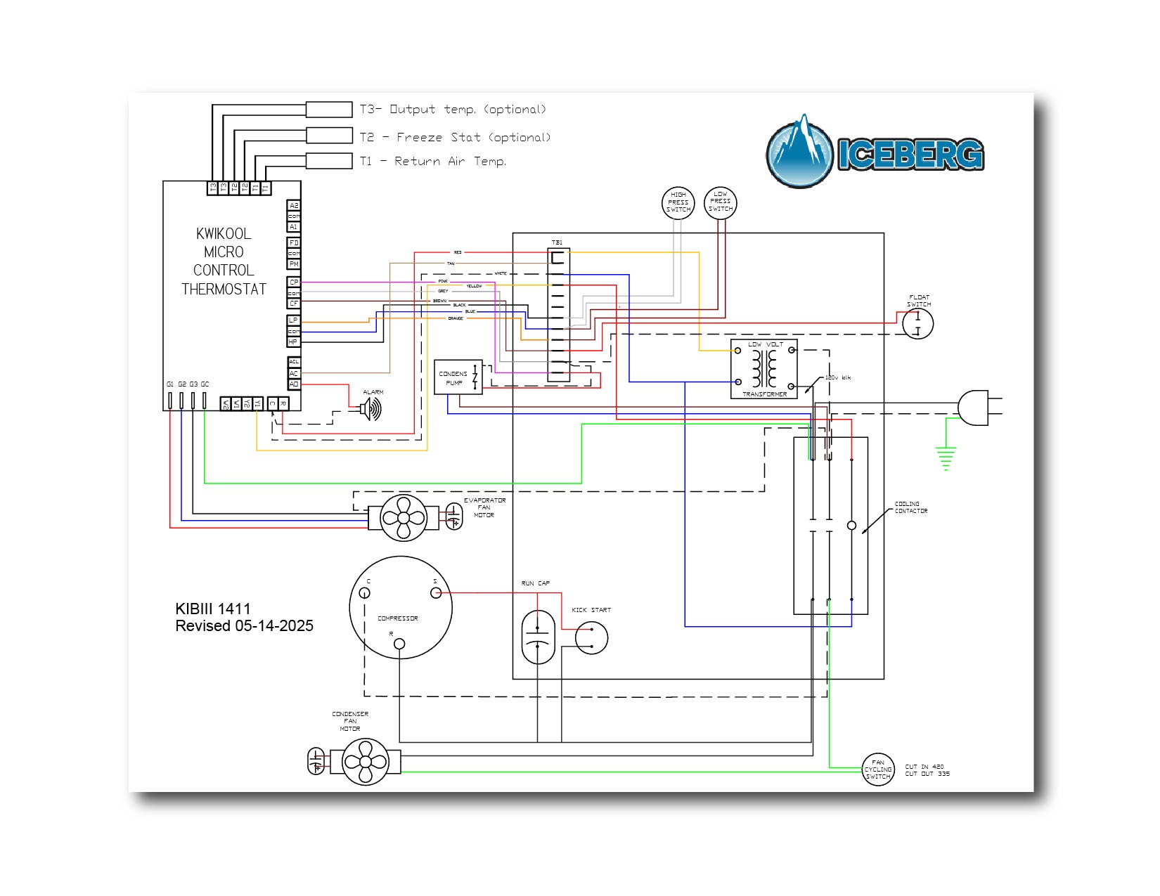
KWIB-3 – Latest Wiring Diagrams
No Color Screen Models
KWIB1411-1811
(No Color Screen)
Download:
KWIB 1411-1811 Diagram
KWIB2411
(No Color Screen)
Download:
KWIB 2411 Diagram
KWIB2421
(No Color Screen)
Download:
KWIB 2421 Diagram
KWIB3021
(No Color Screen)
Download:
KWIB 3021 Diagram
KWIB4221/6021
(No Color Screen)
Download:
KWIB 4221 & 6021 Diagram
KWIB6023
(No Color Screen)
Download:
KWIB 6023 Diagram
KWIB6043
(No Color Screen)
Download:
KWIB 6043 Diagram
KWIB120xx
(No Color Screen)
Download:
KWIB 120xx Diagram
Full Color Screen Models
KWIB1411/1811/2411
(Full Color Screen)
Download:
KWIB1411, KWIB1811, and 2411 Diagram
KWIB2421
(Full Color Screen)
Download:
KWIB2421 Diagram
KWIB3021/4221/6021
(Full Color Screen)
Download:
KWIB3021, KWIB4221, and 6021 Diagram
KWIB6023
(Full Color Screen)
Download:
KWIB6023 Diagram
KWIB6043
(Full Color Screen)
Download:
KWIB6043 Diagram
KWIB12043
(Full Color Screen)
Download:
KWIB120xx Diagram